Dosage par différence des ions nitrate dans un engrais (niveau Terminale S Spécialité physique-chimie)
On souhaite vérifier l'indication portée sur l'étiquette d'un engrais pour jardin à savoir que ce dernier contient 1,8 % en masse d'azote nitrique. Pour cela, on va procéder à un dosage par différence des ions nitrate qui réagiront avec un excès d'ions fer(II) ; cet excès sera dosé par des ions permanganate en milieu acide.
Matériel :
- pipette graduée de 10 mL
- fiole jaugée de 250 mL
- erlenmeyer pyrex(R) de 100 mL
- réfrigérant à air
- éprouvette graduée de 10 mL
- béchers de 100 mL
- trois pipettes jaugées de 10 mL
- poire à pipeter
- burette graduée
- turbulent et agitateur magnétique chauffant
Produits :
- engrais liquide
- solution fraîchement préparée de sel de Mohr à 2,00.10-1 mol.L-1 (dissoudre 1,96 g de sel de Mohr (FeSO4, (NH4)2SO4, 6H2O) dans 50,0 mL d'eau distillée et ajouter quelques gouttes d'acide sulfurique concentré)
- acide sulfurique concentré
- solution de permanganate de potassium à 2,00.10-2 mol.L-1 (dissoudre 0,16 g de permanganate de potassium dans 50,0 mL d'eau ou diluer au cinquantième une solution molaire de permanganate de potassium)
Protocole :
1. Préparation de la solution titrée
Peser précisément (au centigramme près) une masse voisine de 3,8 g d'engrais. Noter le volume prélevé. Transvaser ce volume prélevé dans une fiole jaugée de 250 mL et compléter jusqu'au trait de jauge avec de l'eau distillée. On obtient alors la solution S0.
Dans un erlenmeyer de 100 mL, introduire:
20,0 mL de solution S0
10,0 mL de solution de sel de Mohr
10 mL d'acide sulfurique
Boucher l'erlenmeyer avec un bouchon muni d'un réfrigérant à air et porter à ébullition douce pendant environ cinq minutes.
Laisser refroidir le contenu de l'erlenmeyer.
2. Dosages
Préparer la burette : la rincer avec un peu de solution titrante puis ajuster au zéro avec la solution de permanganate de potassium.
Procéder à un premier dosage rapide et noter l'encadrement à 2 mL près du volume équivalent.
Procéder à un deuxième dosage de manière à déterminer précsément (au dixième de mL près) la valeur du volume équivalent notée VE.
Si on dispose d'assez de temps, procéder à un troisième dosage afin de valider la valeur du volume équivalent précédemment trouvée.
Exploitation :
1. Compréhension de la méthode de titrage
1.1. Ecrire l'équation de réaction (notée (1)) entre les ions nitrate et les ions fer(II).
&nbsnbsp; 1.2. Ecrire l'équation de réaction du titrage (notée (2)) des ions fer(II) par les ions permanganate MnO4-(aq)
1.3. Pourquoi est-il impossible de doser des ions nitrate par des ions permanganate ? Donner alors l'intérêt de réaliser un dosage par différence à l'aide d'ions fer (II).
Données: couples oxydant / réducteur : NO3-(aq) / NO(g); Fe3+(aq) / Fe2+(aq) ; MnO4-(aq) / Mn2+(aq)
2. Réalisation des dosages
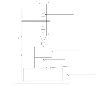
2.1. Légender précisément le schéma du montage ci-dessous.
2.2. Quel est l'intérêt d'avoir choisi les ions premanganate comme espèce titrante ?
2.3. Quel est l'intérêt d'avoir procédé à un premier dosage rapide ?
Données: couleur des ions
| ions | MnO4-(aq) | Mn2+(aq) | Fe2+(aq) | Fe3+(aq) |
| couleur de la solution | violette | incolore | légèrement verte | légèrement orangée |
3. Relation à l'équivalence
3.1. Dresser le tableau d'évolution de la réaction de titrage.
3.2. Après avoir rappelé la définition de l'équivalence d'un dosage, écrire la relation entre la quantité de matière des ions Fe2+(aq) en excès (notée nexcès(Fe2+)), la concentration de la solution titrante (ctitrante) et le volume équivalent (VE).
3.3. Ecrire la relation entre la quantité de matière initiale des ions Fe2+(aq) (notée ni(Fe2+), la quantité de matière des ions Fe2+(aq) qui ont réagi avec les ions nitrate (notée nréagi(Fe2+)) et nexcès(Fe2+).
3.4. Ecrire la relation entre la quantité de matière initiale des ions nitrate (notée ni(NO3-) et nréagi(Fe2+).
3.5. En déduire que : ni(NO3-) = (ni(Fe2+) - 5ctitranteVE)/3
4. Retour sur l'expérience
4.1. Calculer ni(NO3-) à l'aide de la valeur expérimentale du volume équivalent.
4.2. Calculer la valeur théorique nth(NO3-) de la quantité de matière des ions nitrate présents dans la prise d'essai de la solution S0.
4.3. Comparer ni(NO3-) et nth(NO3-) en calculant leur écart relatif. En déduire si l'indication du fabriquant est fiable.
Réponses
1.1. Il faut combiner les demi-équations électroniques : NO3-(aq) + 3Fe2+(aq) + 4H+(aq) = NO(g) + 3Fe3+(aq)+ 2H2O(l) équation de réaction (1)
1.2. Même raisonnement que ci-dessus: MnO4-(aq) + 5Fe2+(aq) + 8H+(aq) = Mn2+(aq) + 5Fe3+(aq) + 4H2O(l) équation de réaction (2)
1.3. Les ions nitrate et permanganate sont des oxydants; on ne peut doser un oxydant qu'avec un réducteur et réciproquement. Il est donc nécessaire de faire tout d'abord réagir les ions nitrate avec un réducteur en excès; cet excès sera ensuite dosé par un autre oxydant.
2.1.
2.2. Le dosage est colorimétrique (Cf. tableau de l'énoncé regroupant les couleurs des solutions aqueuses): à l'équivalence, la solution initialement verte claire devient rosée.
2.3. Le premier dosage rapide permet d'encadrer le volume équivalent; les dosages suivants permettent d'affiner les ajouts de la solution titrante autour de l'équivalence.
3.1.
| équation de réaction | MnO4-(aq) + 5Fe2+(aq) + 8H+(aq) = Mn2+(aq) + 5Fe3+(aq) + 4H2O(l) | |||||
| A l'équivalence, x = xE | ctitranteVE - xE = 0 | nexcès(Fe2+) - 5xE = 0 | excès | xE | ni(Fe3+) + 5xE | excès |
3.2. A l'équivalence toutes les espèces titrées (ici Fe2+(aq)) ont réagi avec toutes les epsèces titrantes (ici MnO4-(aq)) qui ont été introduites. cEs deux réactifs ont alors une quantité de matière nulle.
La relation suivante est alors déduite: nexcès(Fe2+) = 5ctitranteVE
3.3. Les ions Fe2+(aq) initialement inroduits ont en partie réagi avec les ions nitrate. On écrit alors: ni(Fe2+) = nréagi(Fe2+) + nexcès(Fe2+)
3.4. En reprenant l'équation de réaction (1), on trouve facilement que : ni(NO3-) = nréagi(Fe2+)/3
3.5. La relation demandée est facilement rdémontrée en combinant les relations trouvées dans les trois réponses précédentes.
4.1. Plusieurs essais du dosage ont conduit à un volume équivalent égal à 8,7 mL.
L'application numérique de la relation du 3.4. conduit au résultat : ni(NO3-) = 3,77.10-4 mol
4.2. Pour ces essais, une masse m = 3,82 g avait servi à préparer la solution S0
Le pourcentage indiqué sur l'étiquette ("N nitrique") est égal à 1,8 %. Ainsi, nth(NO3-) = 1,8*3,82*(100*14,0) = 4,91.10-3 mol dans 250 mL de solution S0.
Or la prise d'essai a un volume de 20,0 mL; ainsi, nth(NO3-) = 4,91.10-3 / 12,5 = 3,93.10-4 mol
4.3. écart relatif: (nth(NO3-) - ni(NO3-))/nth(NO3-) = 4 %
conclusion: l'indication du fabriquant est vérifiée.
Variante: Utiliser 'lion permanganate comme espèce titrante présente l'inconvénient que la cinétique de la réaction de titrage est lente; il est donc nécessaire d'attendre une minute entre chaque ajout au voisinage du volume équivalent. On peut également réaliser ce titrage avec une solution de dichromate de potassium (les ions Cr2O72-(aq) sont orange et les ions Cr3+(aq) sont verts); l'inconvénient présenté par cette variante est que la poudre de dichromate de potassium est très nocive et nombre d'établissements n'en possèdent plus.
Dans ce cas, l'équation de réaction du titrage s'écrit: Cr2O72-(aq) + 6Fe2+(aq) + 14H+(aq) = 2Cr3+(aq) + 6Fe3+(aq) + 7H2O(l)
et on en déduit que la relation du 3.5. est la suivante: ni(NO3-) = ni(Fe2+)/3 - 2ctitranteVE
Source de la variante : Ecolochimie, chimie appliquée à l'environnement ; G. André ; éditions Cultures et techniques

